Table of Contents

Small layout wiring

General

For a newcomer to layout wiring, being presented with a full layout wiring diagram can create a false impression of the complexity of the work involved. The majority of layouts, particularly the smaller terminus to fiddle yard variety, normally consist of a series of simple individual circuits. If these are tackled in a step by step manner the final result should be achieved with the minimum of fuss.

Before wiring commences, at least one of the following items of equipment should be acquired to enable each circuit to be checked: a VOM (Volt-Ohm Meter) or multimeter having a resistance setting which is used for checking continuity and/or a simple continuity tester consisting of a box containing a battery and buzzer and having a range of probe wires. The multimeter need not be an expensive type as it does not need to have a high degree of accuracy. A multimeter and a homemade continuity tester are shown in Figure 1. Points to note are that the wires for the continuity tester have small crocodile clips at the end instead of probes and that the third is extra long to enable the tester to span the length of a baseboard or to reach from a terminal below the baseboard to the track above. The buzzer type of continuity tester is particularly useful for checking wiring over a distance as it allows the operator to hear if a circuit is complete.


Figure 1. An inexpensive multi-meter and a continuity tester for checking layout wiring.

Although it is possible to connect the feed and return wires directly to the track, it is preferable to use fine wire droppers to connect the rails to terminations under the baseboard. Tinned copper wire of about 24 SWG is a useful size which when painted with track colour virtually disappears into the background. The terminations under the baseboard can be a 'chocolate block' screw connector or a soldered connection. If a layout has to be set up for each operating session and dismantled afterwards, the latter method is preferred as screw connectors have been known to loosen due to constant movement. Intermittent faults due to a loose connection can be difficult to trace. A simple dropper terminating at a brass brad is shown in Figure 2. Whichever method is used, leave a little slack in the dropper to allow for movements in the rails due to temperature or humidity changes. For the same reason, where electrical breaks occur in the rails, they should be prevented from closing up by filling the gap using either an insulating fishplate, a thin slip of plastic card or some epoxy resin. This will also make the joint smoother for rolling stock to pass over.

Once droppers have been installed and tested, an identifying letter and number should be marked underneath the baseboard adjacent to the terminal. Figure 2b shows the local connections to a tie-bar operated microswitch, mounted below the baseboard, which is used to change the polarity of the crossing or frog when the turnout is moved. In this case, the identifiers have been chosen to reflect the purpose of the dropper.


Figure 2. Track connections.

Because the rail polarity changes with the direction of movement of the locomotive, the use of the terms positive rail and negative rail can be confusing. Hence the preference for the terms (power) feed and (power) return rails to identify them. Examples of other identifiers used in the following sections include F for a power Feed, SF for a Switched power Feed, CR for a connection to the Common Return and IR for an Isolating Rail used to stable an engine. An example of the latter is shown in Figure 2c. With careful use of identifiers at each end of a circuit, the wiring between the droppers and the power supply or isolating switches can use a single colour cable. However, if the layout wiring is to be worked on by a group, it is useful to arrange a standard colour coding system to assist members, particular when tracing faults. For example, a coding system could use red for power feed, black for common return and blue for isolating rails. Cables are available in a range of colours, both plain and two-colour banded.

A Simple loop terminus

Because of the wide variety of layout designs and operating requirements, there are no precise rules for wiring layouts. However, unless the layout is a simple through station without a need to reverse trains, the majority will require some form of loop to enable the locomotive to run round its train. Basic loop wiring, the power feeds and the electrical breaks required are dealt with in Point wiring. Figure 3 shows a terminus having a loop to release the locomotive plus two spurs, one serving as an engine service road. If the pointwork were of the insulated frog type only two wires would be required to supply power. As most layouts use some form of live frog pointwork, additional feeds and insulation breaks are needed. Figure 3 shows the connections required.


Figure 3. A small layout showing the wiring required.

The electrical breaks in both rails which occur in the middle of the two crossovers divide the layout into two main areas. The single break in the platform road common return rail is to prevent a short circuit occurring when one of the crossovers is reversed, see also Point wiring.

In order to make wiring and the subsequent testing as easy as possible, a convention should be established to assist in identifying which rails are feed rails and which are return rails. As an example, in an oval layout the outer rails of the track could be the feed rails and the inner rails the return rails. Once a convention is established, stick to it. In Figure 3 the upper rails are feed rails and the lower rails form the return. The identifying numbers shown on the diagram represent the droppers supplying power to the track and are marked on the underside of the baseboard adjacent to the dropper terminations. If the layout has only one loco in service at a time and is served by a single control unit, the wiring schematic, shown as an inset, is all that is required.

If more than one engine is present on the layout it becomes necessary to provide isolating rails where the additional engines can be stabled. These could include the engine spur at the end of the platform road, the release road spur and the engine service road. If the latter were long enough it could provide two stabling spots. These require additional electrical breaks in one of the two running rails at these locations. Although either rail can be used, it is preferable to put the break in the feed rail and leave all the return rails linked together electrically to form the common return, see Figure 2c.

The additional electrical breaks are shown circled in Figure 4 and the connections are given identification codes. Note that because the feeds to the release road spur and engine service road are on the same side as the frogs of the adjacent turnouts, they could be fed directly from the controller but the preferred method is from the crossing connection of the adjacent turnout. The connections shown with the suffix X are the connections from the switches that change the polarity of the frogs. If the turnouts have built-in live frog switches a local dropper will need to be provided. If not, a connection to the tie-bar operated microswitch termination can be used. Although this method requires additional wires to be brought from the layout to the isolating switches, it is preferred as it ensures that a locomotive cannot be moved unless the turnout is correctly set. In Figure 4, isolating rails IR1, IR2 and IR3 are fed in this way.


Figure 4. Small layout with additional electrical breaks.

An alternative option to mounting the switches on the baseboard would be to have a separate control panel, particularly if it is intended to have electrically operated turnouts and signals at a later stage. In this instance the four isolating rail switches would be mounted on the panel and their connections to the droppers on the baseboard would require a multi-cable connection to be fitted. Figure 5 shows this variation. In the illustration a screw terminal strip is shown fitted to both the baseboard and the control panel with the necessary connecting wires. If the layout is intended to be portable a better method would be to use multi-pin plugs and sockets to make the process of connecting and disconnecting easier. Some examples of plugs and sockets are shown in Figure 6.


Figure 5. Switches mounted on separate control panel.


Figure 6. A length of terminal strip or ‘chocolate block’ screw connector suitable for permanent wiring. This can be cut to length with a craft knife. The 8 and 12 way plug and socket connectors can be permanently mounted or, when provided with a protective cap incorporating a cable clamp, used as jumpers between baseboards.

All these connections should be listed on a wiring schedule and kept with a copy of the layout schematic. Preparing a schedule is an important step, particularly for newcomers to wiring, as it can save considerable time in tracing faults should they develop at a later stage. A simple schedule associated with Figure 5b would appear as follows:

Terminal no. Baseboard Control panel Feed from/to
1 Engine spur F2 Switch 4 Power feed
2 Isolating rail 3 Switch 3 Turnout 1BX
3 Turnout 1BX Switch 3 IR3
4 Common rails Power return Control unit
5 Feed rails F1, F3 Power feed Control unit
6 Turnout 2BX Switch 2 IR2
7 Isolating rail 2 Switch 2 Turnout 2BX
8 Isolating rail 1 Switch 1 Turnout 2BX via switch 2

Goods sidings

A fan of dead end goods sidings would normally require a single feed and return connection at the toe of the fan. Unless additional stabling points are needed, individual sidings would be isolated by setting the turnout against them. This is described and illustrated in Point wiring.

A typical branch line terminus

Figure 7 combines the elements described in the two preceding sub-sections and represents a typical branch line terminus of the type that could be found in many parts of the country up to the mid-late 60s. The four rail breaks shown divide the layout into four areas and are to ensure that there is no chance of cross feeds and possible short circuits when the turnouts are operated. The four feed and return wiring connections to these areas follow the illustration methods used in most of the model press, i.e. they are connected at the toes of their respective groups of turnouts. If only one engine is present on the layout at any one time, they could be joined together and taken directly to the controller output. The wiring schematic is similar to that shown in Figure 3 with the addition of the two connections for feed and return to the goods sidings.


Figure 7. Single line branch terminus and wiring for one engine in operation.

Two trains at once

Referring to the track plan of the terminus, it will be seen that it is possible to have three trains moving at the same time, although two would be a more realistic maximum. One train could be moving on the main line while a second could be shunting in the sidings. The introduction of a second controller would require four additional switches to be fitted to supply the four feed rail areas from either controller. These should be two-way centre-off types to provide isolation as well as controller selection. Figure 8a shows the track layout with the additional breaks to provide stabling turnouts for locomotives and Figure 8b shows the wiring schematic. A simple control panel with the switches mounted in a line appears in Figure 9. To move a train from one area to another requires the appropriate area switches to be selected to the same controller.


Figure 8. Single line branch terminus and wiring for two engines in operation.


Figure 9. A simple control panel for two train operation of the branch terminus based on the schematic in Figure 8.

Route selection

The wiring described above follows the standard convention where, when two controllers are in service, power is fed to the toes of the turnouts and the layout is divided into a number of areas. An alternative method is to employ a system known as route selection where the wiring is adapted to suit the train movements. The advantage is that the control panel becomes easier to use and there is less likelihood of operating errors, particularly when the layout is being operated by visitors who are unfamiliar with the control system.

The track layout in Figure 7 also appears in Layout and use of signals, where it is used to illustrate the fact that location and type of signalling were determined by the track layout and train movements. These were arrival and departure along the main line, shunting in the yard from the headshunt and movements into and out of the engine service road. These movements can also be used as the basis of a route control system.

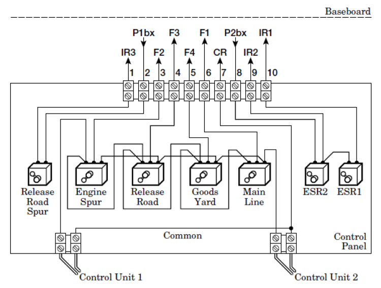
If the traction power supplies are fed to these three primary locations (main line, headshunt and engine service road) and routed to other parts of the layout by adding switches to certain turnouts, the need to ensure that the area feed switches are all correctly aligned is eliminated. This routing is achieved by converting three turnouts to the heel fed version by adding an extra microswitch to them. (Refer to Point wiring for details of heel fed turnouts). The changes to the droppers and insulation rail breaks are shown in Figure 10. Three new power supply feeds (F1, F2 and F3) are added and three of the original feed connections now become Switched Feeds (SF1, SF2 and SF3) and are supplied via the additional switches attached to the adjacent turnouts.


Figure 10. The wiring schematic for the layout.

Figure 11 is an expanded version of Figure 10 showing both rails, the insulating rail breaks and the additional switches required for power routing. As an illustration of the principle, consider the traction power supply to the goods yard. With crossover 3 normal, the power to the sidings is fed from the headshunt feed F2 via the additional micro-switch attached to turnout 3b. While the operator is busy shunting the yard, a second operator can be dealing with movements on the main line into or out of the platform or engine release roads. Once shunting is completed and the goods train is ready to depart, reversing crossover 3 operates the additional micro-switch attached to turnout 3b and transfers the power supply for the sidings to the main line feed F1. At the same time turnout 3a isolates the platform road preventing unwanted movement towards the main line. The goods train can then depart using the controller selected to the main line.


Figure 11. An expanded version of Figure 10 to show the individual rails and insulation breaks requred for route selectiom wiring. The individual switches nounted on each turnout for changing the frog polarity have been omitted to avoid cluttering the diagram. The three switches shown operated by turnouts P1a, P2b and P3b are used to route power to the switched feeds SF1, SF2 and SF3. Note that because the engine spur at the end of the platofrm road (SF2) is used as a stabling point, its connection from P1a switch (P1af) is taken via an isolating switch on the control panel. The numbers in brackets adjacent to the connections correspond to the connections betwwen the baseboard and the control panel shown in Figure 10.

Similar switches attached to crossovers 1 and 2 (P1a and P2b) are also used for power routing and, as an example, can make passenger operation easier as the following series of movements show.

  1. A passenger train arrives in the platform from the mainline having traversed crossovers 3 and 2 set normal. Traction power for the movement is supplied to feed F1 from, say, control unit 1.
  2. The locomotive is detached and moves forward to the engine spur, over crossover 1 normal, as a preliminary to running round the train. This requires the engine spur isolating switch to SF2 to be ON.
  3. Crossover 2 is reversed. The micro-switch attached to turnout 2b transfers the power feeding the release road (SF3) from the engine service road (F3) to the main line (F1) via the supply to the live frog (3ax) of turnout 3a. The platform road is isolated as the live frog (2ax) of turnout 2a is switched from common return (CR) to connection 3ax, placing both platform rails at the same polarity
  4. Crossover 1 is reversed. The micro-switch attached to turnout 1a transfers the power feeding the engine spur (SF2) from the platform road to the release road (SF3) which is now fed from FI. With turnout 4 set normal, the locomotive can be driven from the engine spur to the main line via the release road still using control unit 1.
  5. Crossovers 1 and 2 returned to normal. The locomotive is eased down into the platform road to recouple ready for departure.

Apart from checking that the engine spur isolating switch to SF2 is in the ON position, no electrical switching is required to carry out the operation as power is routed as required by the movement of the crossovers. A simple control panel for two train operation is shown in Figure 12.


Figure 12. A simple control panel for two train operation using route selection control. Compare with the wiring schematic in Figure 10b.

Three rail wiring

This includes centre third, outside third and stud contact. If the same typical single line terminus track layout is wired for third rail operation there is some simplification as the running rails form the common return for traction power and no switches are required to change the frog polarity. Similarly, if only one controller is in use the third rails can be bonded together to form the power feed. The only isolating breaks are those where a locomotive is required to be held and these are easily produced in the third rail. Figure 13 shows the connections where the isolating switches are located on a separate control panel.

If a second controller is introduced, the third rail has to be split up into sections each with its own two-way centre-off switch. Of the two wiring systems described earlier, the route selection system is the one most suited to three-rail. A self isolating version of a three rail turnout using a micro-switch is described in Point wiring. If this configuration is used for turnout 4 and the three crossovers 1a-b, 2a-b and 3a-b, then, combined with power feeds to the main line, head-shunt and engine service road, control of movement is by turnout operation. Figure 14a shows the connections to the third rail and Figure 14b shows the wiring schematic for a layout having a separate control panel. Note that, apart from the dropper identifying numbers which change slightly, the schematic is identical to that used for the two rail version in Figure 10b. Similarly, a simple control panel would be identical to the panel illustrated in Figure 12.


Figure 13.


Figure 14.


This article was compiled by K. Sheale for the Gauge O Guild Manual. It was adapted for the GOGWiki by Nick Baines.